Agosto de 2013
  •   Annelise Zeemann

   Uso de Réplicas Metalográficas   Imprimir

A TECMETAL realiza análises metalográficas em campo utilizando réplicas metalográficas que são pequenos pedaços de plástico que, quando pressionados na área de interesse após uma preparação cuidadosa, reproduzem a estrutura pois copiam a topografia obtida polindo e atacando quimicamente a superfície. Estas réplicas são levadas ao laboratório e são observadas como se fosse o próprio material sendo que em uma análise microestrutural a réplica costuma ser complementada com medidas de dureza da região analisada e se o material não for conhecido pode ainda ser necessário fazer análise química, todas estas medidas realizadas por equipamentos portáteis.

Figura 1 - Trecho de uma linha que vai trabalhar em baixa temperatura após preparação metalográfica para a realização da réplica.

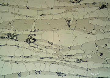
Figura 2 - Microestrutura ferrítico-perlítica de aço de baixo carbono, com estrutura refinada e tamanho de grão ASTM 9,5.

A figura 1 apresenta uma superfície polida onde foi realizada uma análise metalográfica e a figura 2 mostra o aspecto da estrutura observado em microscópio ótico depois de atacar quimicamente o material (para revelar a estrutura) e aplicar o plástico.

Neste caso existia a dúvida sobre se o material da conexão utilizada em uma linha de baixa temperatura seria um aço ao carbono normalizado e a medida de tamanho de grão da estrutura ferrítica é fundamental para assegurar a resistência do aço carbono em baixa temperatura, sendo que neste caso o aço apresentou tamanho de grão ASTM 9,5 que corresponde a um grão bem fino e que resiste bem à baixa temperatura.

Figura 3 - Trinca em espelho de trocador de calor.

Figura 4 - Espelho de trocador de calor após preparação metalográfica para fazer a réplica.

Figura 5 - Micrografia em réplica mostrando aspecto ramificado do trincamento, típico de processo de corrosão sob tensão.

Quando existe uma trinca a análise da morfologia da trinca permite conhecer o mecanismo de trincamento, seja ele envolvendo grande deformação plástica ou sem deformação macroscópica, associado a processo corrosivo ou ao calor.

A figura 3 mostra uma trinca em um espelho de trocador de calor que após preparação metalográfica, figura 4, revelou na análise microestrutural que o mecanismo de formação da trinca foi por corrosão sob tensão, como mostrado na micrografia por réplica da figura 5.

Estas análises podem ser realizadas em peças muito grandes ou em locais remotos, como ilustrado nas figuras 6 e 7, e se forem bem realizadas sequer é possível distinguir, apenas pelo resultado obtido, se é uma réplica ou o próprio material que está sendo analisado.

Figura 6 - Réplica sendo realizada em solda de equipamento ainda em fase de fabricação.

Figura 7 - Réplica sendo realizada em aço inoxidável, com ataque eletrolítico, em queimador de flare.

As figuras 8 e 9 mostram por exemplo um aço inox duplex, cujo ataque é cuidadoso para revelar as fases austenita e ferrita, neste caso ainda apresentando fase sigma, em uma micrografia do próprio material (figura 8) ou em uma réplica (figura 9).

Figura 8 - Micrografia com ataque eletrolítico de um aço inoxidável duplex apresentando as fases austenita (mais clara), ferrita e sigma (pontos escuros). Amostra analisada no laboratório.

Figura 9 - Micrografia com ataque eletrolítico de um aço inoxidável duplex apresentando as fases austenita (mais lisa), ferrita e sigma (pontos escuros). Réplica trazida de campo e analisada no laboratório.